
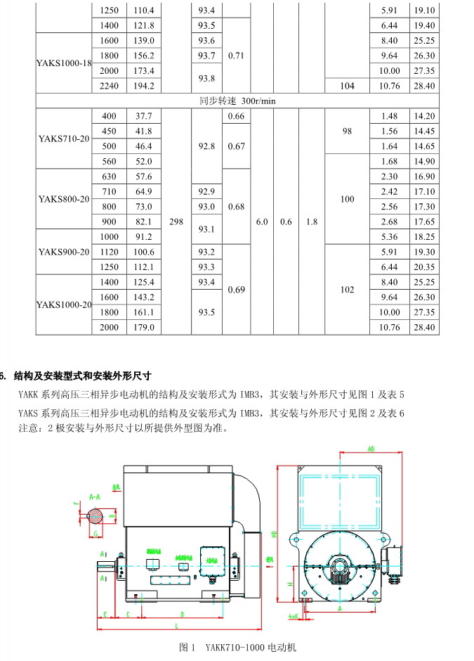
1. 概述 YAKK、YAKS 系列高压增安型三相异步电动机(机座号710~1000)是我公司在引进吸收德国西门子高压电动机制造技术的基础上,结合我公司长期稳定生产高压三相异步电动机的设计制造经验而开发的系列产品。该系列电动机采用九十年代新技术、新材料、新工艺,选材考究、制造精良、具有体积小、重量轻、功率大、效率高、噪声低、振动小、运行安全可靠、使用维护方便等特点。 该系列电动机符合我国国家标准GB755《旋转电机 定额和性能》、行业标准GB/T13957《大型三相异步电动机基本系列技术条件》和IEC 国际标准,其防爆性能符合GB3836.1《爆炸性气体环境用电气设备第1部分:通用要求》和GB3836.3《爆炸性气体环境用电气设备第3 部分:增安型“e”》的规定。 各部分机械尺寸和公差符合相应的国家标准和国际标准 该系列电动机的外壳防护等级为IP44、IP54 和 IP55,冷却方式有IC611 和 IC81W,安装方式为IMB3,也可根据用户要求制成不同的防护类型、冷却方式、安装方式。 额定电压:6000V、10000V 功率范围:315~10000kW 同步转速:3000、1500、1000、750、600、500、429、375、333、300r/min 轴中心高:710、800、900、1000mm 防爆标志:ExeIIT1、ExeIIT2、ExeIIT3 在此基础上派生有户外(W)、湿热带(TH)、户外湿热带(THW)、户内防中等腐蚀型(F1)、户内防强腐蚀型(F2)、户外防中等腐蚀型(WF1)、户外防强腐蚀型(WF2),派生的三相异步电动机的性能指标、安装外形尺寸与基本系列的相同。  3. 结构说明 该系列电动机采用国际流行的箱式结构,机座、端盖等部件用钢板焊成,轴承采用端盖式球面滑动轴承,具有负荷能力强,检修及装配方便等优点。电动机重量轻、刚度好。卸下冷却器,可观察或接触电动机内部,安装和维修方便。 定子采用F 级绝缘,定子线圈采用双玻璃丝包薄膜带绕包铜扁线绕制,经绕包主绝缘并VPI 整体浸漆后具有较高的电气强度、机械强度、绝缘性能、防潮性和热稳定性。 转子采用铜条结构,导条和端环之间采用可靠的焊接工艺,并采取了防止导条断裂的可靠措施,经高精度校验平衡,电动机运转平稳,振动小。 高压接线盒为密封结构,接线空腔大,留有电缆接头位置。接线盒在电动机右侧(轴伸端视之)。当电动机功率为2000kW 及以上时,在电动机主接线盒的另一侧设置副接线盒,用于电动机定子三相绕组的中性点连接以及电动机的差动保护。根据用户的需要,电动机可安装轴承测温仪表,监测轴承温度;也可根据用户需要设置定子绕组测温和防冷凝加热装置。 4. 使用条件 额定电压: 6kV 或 10kV 额定频率: 50Hz 环境空气温度: -5℃~+40℃ 海拔高度: 不超过 1000mm 工作制: 连续工作制 S1 环境条件: 户内、户外(W)、湿热带(TH)、户外湿热带(THW)、户内防中等腐蚀型(F1)、户内防强腐蚀型(F2)、户外防中等腐蚀型(WF1)、户外防强腐蚀型(WF2) 运行地点最湿月月平均最高相对湿为90%,同时该月月平均最低温度不高于25℃该系列电动机可用于驱动各种通用机械:如压缩机、水泵、风机以及其它机械设备,在矿山、机械工业、石油化工工业、发电厂等工矿企业具有爆炸性气体环境的场所中作为原动机使用。














|